Магазин запчастей для бытовой техники - Arlos
Москва
close
Выберите ваш регион
АбаканАлександровАльметьевскАнгарскАрзамасАрмавирАртемАрхангельскАстраханьАчинскБалаковоБалашихаБеларусьБелгородБердскБерезникиБийскБлаговещенскБратскБрянскВеликий НовгородВидноеВладивостокВладикавказВладимирВолгоградВолгодонскВолжскийВологдаВолховВоркутаВоронежВоскресенскВыборгГатчинаГеленджикГрозныйДедовскДербентДзержинскДзержинскийДимитровградДмитровДолгопрудныйДомодедовоДонецкЕвпаторияЕгорьевскЕкатеринбургЕлецЕссентукиЖелезногорскЖелезнодорожныйЖуковскийЗеленоградЗлатоустИвановоИвантеевкаИжевскИркутскИстраЙошкар-ОлаКазаньКалининградКалугаКаменск-УральскийКамышинКаспийскКемеровоКерчьКировКисловодскКлинКовровКоломнаКомсомольск-на-АмуреКопейскКоролёвКостромаКотельникиКрасногорскКраснодарКраснознаменскКрасноярскКурганКурскКызылЛенинск-КузнецкийЛипецкЛобняЛыткариноЛюберцыМагнитогорскМайкопМалаховкаМахачкалаМиассМоскваМурманскМуромМытищиНабережные ЧелныНазраньНальчикНаро-ФоминскНахабиноНаходкаНевинномысскНефтекамскНефтеюганскНижневартовскНижнекамскНижний НовгородНижний ТагилНовокузнецкНовокуйбышевскНовомосковскНовороссийскНовосибирскНовоуральскНовочебоксарскНовочеркасскНовошахтинскНовый УренгойНогинскНорильскНоябрьскОбнинскОдинцовоОктябрьскийОмскОрелОренбургОрехово-ЗуевоОрскПавловский ПосадПензаПервоуральскПермьПетрозаводскПетропавловск-КамчатскийПодольскПрокопьевскПсковПушкиноПятигорскРаменскоеРеутовРостов-на-ДонуРубцовскРыбинскРязаньСакиСалаватСамараСанкт-ПетербургСаранскСаратовСевастопольСеверодвинскСеверскСергиев ПосадСерпуховСимферопольСмоленскСосновый БорСочиСтавропольСтарый ОсколСтерлитамакСтупиноСургутСызраньСыктывкарТаганрогТамбовТверьТихвинТольяттиТомилиноТомскТроицкТулаТюменьУлан-УдэУльяновскУссурийскУсть-ИлимскУфаУхтаФеодосияФрязиноХабаровскХанты-МансийскХасавюртХимкиЧебоксарыЧелябинскЧереповецЧеркесскЧеховЧитаШахтыЩелковоЭлектростальЭлистаЭнгельсЮжно-СахалинскЯкутскЯлтаЯрославль
  • - бесплатно по РФ
    Автоперезвон. Работает по принципу: Вы позвонили на номер, мы сбрасываем звонок и перезваниваем через 3 секунды.
  • - по Москве
  • 8 (925) 663-83-63

Call-центр

пн-вс: 10:00-19:00

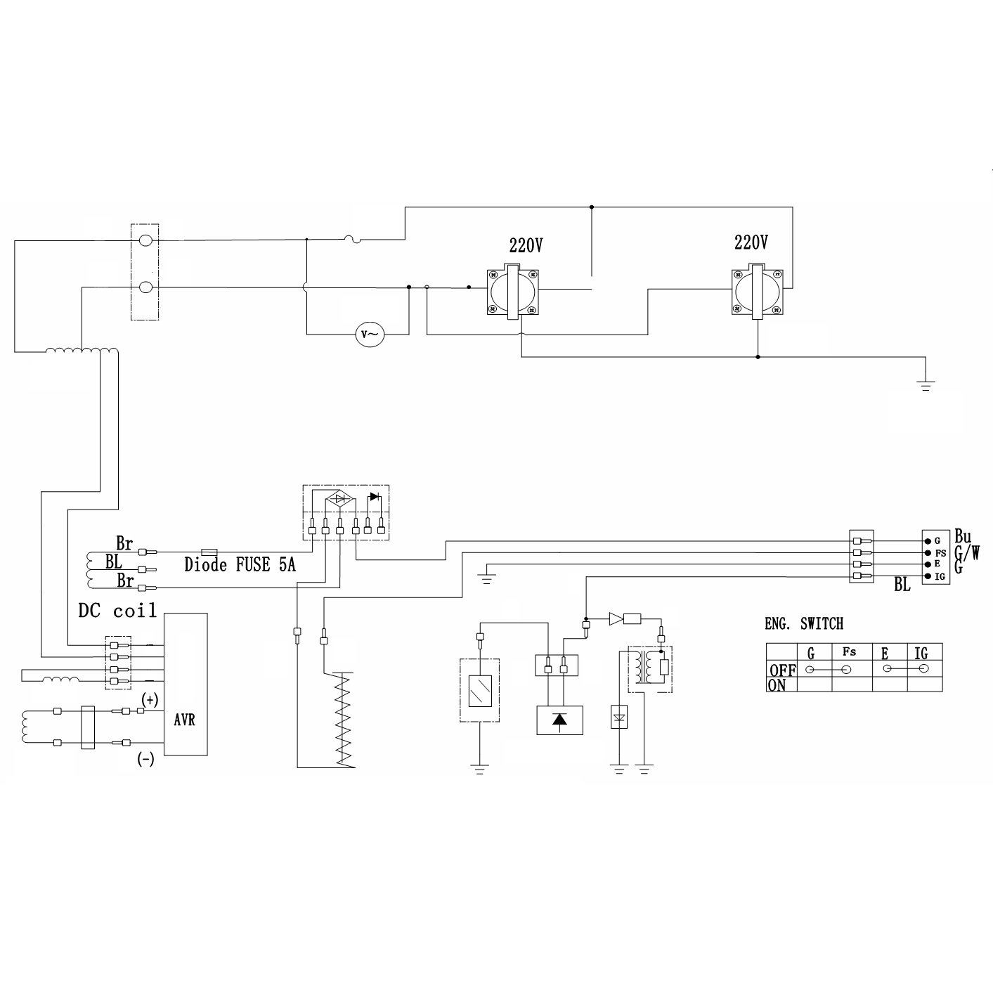
Генератор бензиновый СБ-5500

Данная модель имеет несколько схем

NАртикулНазваниеСрок отгрузкиЦенаКупить
1 N000-033-066 Стартер ручной в сборе
5 N000-033-050 Пробка резиновая
7 N000-032-894 Зажим
8 N000-033-068 Стакан храповик
9 N000-032-899 Кожух защитный
10 N000-032-950 Крыльчатка
11 N000-033-119 Шпонка сегментная L18xS4xH5.5
12 N000-032-973 Маховик
13 N000-033-061 Сальник D52хd35х8
14 N000-032-914 Блок цилиндра D90
16 N000-032-855 Болт слива масла
17 N000-033-010 Прокладка болта слива масла
18 N000-032-893 Зажим
20 N000-032-920 Магнето
21 N000-032-930 Колодка
22 N000-033-062 Сальник D14хd8х5
23 N000-032-987 Подшипник 6202
24 N000-033-045 Регулятор скорости
25 N000-033-118 Шплинт
28 N000-033-095 Кольцо уплотнительное d14
31 N000-032-862 Вал балансировочный
32 N000-032-925 Вал коленчатый 188F
33 N000-032-988 Подшипник 6207
34 N000-033-122 Штифт 12x10
35 N000-033-015 Прокладка головки блока цилиндров
36 N000-033-116 Шпилька 8x160
37 N000-032-852 Прокладка теплоизолятора
38 N000-033-078 Блок теплоизоляционный
39 N000-033-018 Прокладка карбюратора
40 N000-032-903 Карбюратор P27-2
41 N000-033-084 Шланг топливный L200 D8/d4
42 N000-033-033 Зажим пружинный
43 N000-033-051 Кольцо резиновое
44 N000-032-858 Прокладка
45 N000-032-947 Кронштейн воздушного фильтра
46 N000-032-942 Корпус воздушного фильтра
48 N000-032-953 Фильтр воздушный в сборе
52 N000-032-967 Трубка отходящих газов
54 N000-032-961 Головка цилиндра
55 N000-033-117 Шпилька 8х34
56 N000-033-063 Свеча зажигания F7TC
57 N000-033-040 Вал распределительный
58 N000-033-081 Толкатель
59 N000-032-867 Клапан впускной
60 N000-032-877 Клапан выпускной
61 N000-032-969 Колпачек толкателя
62 N000-033-032 Седло впускного клапана D35
63 N000-032-959 Колпачек регулировочный
64 N000-033-030 Седло впускного клапана
65 N000-032-840 Пружина клапана
66 N000-033-082 Толкатель
67 N000-033-021 Прокладка крышки головки цилиндров
68 N000-032-965 Крышка головки цилиндра
69 N000-033-008 Прокладка болта головки цилиндров
72 N000-032-874 Труба выхлопная
73 N000-032-860 Прокладка
74 N000-032-980 Пластина ограничительная
79 N000-032-955 Крышка картера
81 N000-032-971 Щуп масляный с прокладкой
82 N000-033-047 Регулятор оборотов центробежный
83 N000-033-019 Прокладка картера
84 N000-033-124 Штифт 8x12
85 N000-032-932 Кольца поршневые комплект D90 188F
86 N000-033-100 Кольцо стопорное поршневого пальца
87 N000-032-992 Поршень D90 188F
88 N000-032-997 Палец поршневой
89 N000-033-112 Шатун в сборе
90 N000-033-106 Элемент механизма управления дроссельной заслонкой
91 N000-033-023 Пружина растяжения
92 N000-033-027 Пружина растяжения
93 N000-033-046 Регулятор скорости
94 N000-032-985 Планка натяжения акселератора
95 N000-032-853 Болт с квадратной головкой
111 N000-032-889 Крышка двигателя задняя
114 N000-032-923 Клеммная колодка
115 N000-033-093 Щетка графитовая 6х37х5
116 V000-004-477 Блок электронный регулировки напряжения (AVR) AVR5KW 230V
120 N000-032-892 Опора двигателя задняя
122 N000-032-898 Защита генератора
123 N000-033-072 Статор
126 N000-033-057 Ротор
127 N000-033-089 Бак топливный
128 N000-032-960 Крышка топливного бака
129 N000-033-101 Фильтр топливного бака
131 N000-032-888 Датчик уровня топлива
134 N000-032-871 Втулка
135 N000-033-049 Втулка резиновая
136 N000-033-090 Кран топливный с фильтром резьба М16х1.5/ёлочка D6
139 N000-032-880 Глушитель
140 N000-032-861 Прокладка
143 N000-032-977 Кронштейн монтажный
144 N000-032-850 Амортизатор
147 N000-033-035 Рама
149 N000-032-978 Ножка резиновая
150 N000-032-990 Поперечина рамы
151 N000-032-982 Блок резиновый опорный
156 N000-032-881 Розетка 220В/16А
157 N000-033-000 Автомат (23А)
158 N000-032-937 Контакт заземления
159 N000-032-865 Вольтметр 91L4 0-300В 45х45мм
160 N000-032-872 Выключатель зажигания
Найдено товаров: 101
1
▲ Наверх
0
8 (925) 663-83-63

Call-центр

пн-вс: 10:00-19:00

НАЙТИ ПО МОДЕЛИ
Введите номер заказа
Введите номер своего заказа, что бы узнать его текущий статус.
Что бы получить доступ к расширенным функциям, пройдите не сложную регистрацию. Зарегистрироваться