Магазин запчастей для бытовой техники - Arlos
Москва
close
Выберите ваш регион
АбаканАлександровАльметьевскАнгарскАрзамасАрмавирАртемАрхангельскАстраханьАчинскБалаковоБалашихаБеларусьБелгородБердскБерезникиБийскБлаговещенскБратскБрянскВеликий НовгородВидноеВладивостокВладикавказВладимирВолгоградВолгодонскВолжскийВологдаВолховВоркутаВоронежВоскресенскВыборгГатчинаГеленджикГрозныйДедовскДербентДзержинскДзержинскийДимитровградДмитровДолгопрудныйДомодедовоДонецкЕвпаторияЕгорьевскЕкатеринбургЕлецЕссентукиЖелезногорскЖелезнодорожныйЖуковскийЗеленоградЗлатоустИвановоИвантеевкаИжевскИркутскИстраЙошкар-ОлаКазаньКалининградКалугаКаменск-УральскийКамышинКаспийскКемеровоКерчьКировКисловодскКлинКовровКоломнаКомсомольск-на-АмуреКопейскКоролёвКостромаКотельникиКрасногорскКраснодарКраснознаменскКрасноярскКурганКурскКызылЛенинск-КузнецкийЛипецкЛобняЛыткариноЛюберцыМагнитогорскМайкопМалаховкаМахачкалаМиассМоскваМурманскМуромМытищиНабережные ЧелныНазраньНальчикНаро-ФоминскНахабиноНаходкаНевинномысскНефтекамскНефтеюганскНижневартовскНижнекамскНижний НовгородНижний ТагилНовокузнецкНовокуйбышевскНовомосковскНовороссийскНовосибирскНовоуральскНовочебоксарскНовочеркасскНовошахтинскНовый УренгойНогинскНорильскНоябрьскОбнинскОдинцовоОктябрьскийОмскОрелОренбургОрехово-ЗуевоОрскПавловский ПосадПензаПервоуральскПермьПетрозаводскПетропавловск-КамчатскийПодольскПрокопьевскПсковПушкиноПятигорскРаменскоеРеутовРостов-на-ДонуРубцовскРыбинскРязаньСакиСалаватСамараСанкт-ПетербургСаранскСаратовСевастопольСеверодвинскСеверскСергиев ПосадСерпуховСимферопольСмоленскСосновый БорСочиСтавропольСтарый ОсколСтерлитамакСтупиноСургутСызраньСыктывкарТаганрогТамбовТверьТихвинТольяттиТомилиноТомскТроицкТулаТюменьУлан-УдэУльяновскУссурийскУсть-ИлимскУфаУхтаФеодосияФрязиноХабаровскХанты-МансийскХасавюртХимкиЧебоксарыЧелябинскЧереповецЧеркесскЧеховЧитаШахтыЩелковоЭлектростальЭлистаЭнгельсЮжно-СахалинскЯкутскЯлтаЯрославль
  • - бесплатно по РФ
    Автоперезвон. Работает по принципу: Вы позвонили на номер, мы сбрасываем звонок и перезваниваем через 3 секунды.
  • - по Москве
  • 8 (925) 663-83-63

Call-центр

пн-вс: 10:00-19:00

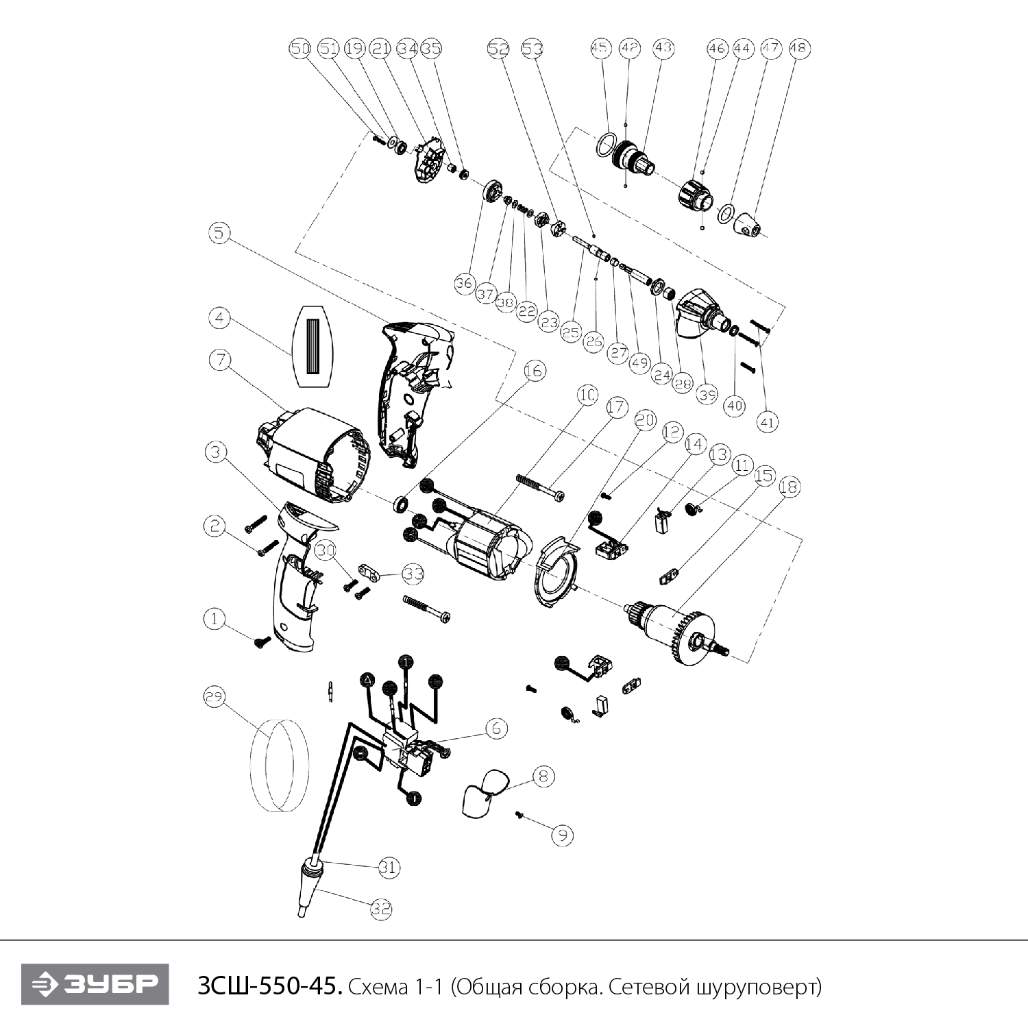
Шуруповерт сетевой ЗСШ-550-45

Данная модель имеет несколько схем

NАртикулНазваниеСрок отгрузкиЦенаКупить
1 UM02-000-065 Саморез 4x20
1.09 U009-607-RS0 Подшипник шариковый 607 RS (19х7х6) U009-607-RS0 для болгарок УШМ-П125-850, AGS-125-1000
2 UM02-000-072 Саморез 4x27 PH2 #F
3 U577-550-003 Рукоятка правая часть 363 р.
4 U577-550-004 Накладка ремешка
4 U009-698-RS0 Подшипник шариковый 698-2Z (19х8х6) CHFZ U009-698-RS0 144 р.
5 U577-550-005 Рукоятка левая часть 363 р.
6 U577-550-006 Выключатель EA-6/S1 6(6)A ~250V 5E4 526 р.
7 U577-550-007 Корпус двигателя 929 р.
8 U577-550-008 Клавиша декоративная 85 р.
9 UM01-000-116 Винт M3x10 PH1 (потай) #F 77 р.
10 U577-550-010 Статор D58.5x40 810 р.
12 UM01-000-073 Винт M3x10 PH1 #F
13 U577-550-013-W Щетка графитовая (пара) 6х8х15 162 р.
14 U577-550-014 Щеткодержатель 74 р.
17 UM01-000-129 Винт М4х50 РН2
18 U577-550-018 Ротор D35x40 2.205 р.
20 U577-550-020 Защита статора
21 U577-550-021 Промщит 258 р.
22 U577-550-022 Пружина
23 U577-550-023 Полумуфта кулачковая (задняя) 271 р.
25 U577-550-025 Шпиндель 165 р.
26 U354-570-004 Шарик пилкодержателя стальной 70 р.
27 U577-550-027 Фиксатор шарика
28 U010-121-000 Подшипник игольчатый HK1210 (16х12х10) 158 р.
29 U577-550-029 Ремешок
30 UM02-000-024 Саморез 4x16
31 U099-004-005 Шнур сетевой резиновый 2х0.75мм 2м 158 р.
32 U098-004-001 Воротник шнура #F
34 U010-060-900 Подшипник игольчатый HK0609 (10x6x9) 102 р.
35 U012-061-405 Подшипник аксиальный AXK0614 (14х6х5 ) n/n 246 р.
36 U577-550-036 Шестерня ведомая 418 р.
37 U577-550-037 Втулка
38 UM04-000-004 Шайба D6
39 U577-550-039 Корпус редуктора 618 р.
40 U577-550-040 Сальник D16хd11х3
42 U261-960-011 Шарик стальной D4 70 р.
43 U577-550-043 Основание регулятора 462 р.
44 U201-850-020 Шарик стальной D5
45 U577-550-045 Кольцо уплотнительное D40,5 d34 h3,3
46 U577-550-046 Втулка регулятора
47 U577-550-047 Кольцо уплотнительное D33 d24 h4,5
48 U577-550-048 Наконечник
49 U577-550-049 Держатель бит 265 р.
50 U577-550-050 Полумуфта кулачковая (передняя) 236 р.
Найдено товаров: 45
1
▲ Наверх
0
8 (925) 663-83-63

Call-центр

пн-вс: 10:00-19:00

НАЙТИ ПО МОДЕЛИ
Введите номер заказа
Введите номер своего заказа, что бы узнать его текущий статус.
Что бы получить доступ к расширенным функциям, пройдите не сложную регистрацию. Зарегистрироваться