Магазин запчастей для бытовой техники - Arlos
Москва
close
Выберите ваш регион
АбаканАлександровАльметьевскАнгарскАрзамасАрмавирАртемАрхангельскАстраханьАчинскБалаковоБалашихаБеларусьБелгородБердскБерезникиБийскБлаговещенскБратскБрянскВеликий НовгородВидноеВладивостокВладикавказВладимирВолгоградВолгодонскВолжскийВологдаВолховВоркутаВоронежВоскресенскВыборгГатчинаГеленджикГрозныйДедовскДербентДзержинскДзержинскийДимитровградДмитровДолгопрудныйДомодедовоДонецкЕвпаторияЕгорьевскЕкатеринбургЕлецЕссентукиЖелезногорскЖелезнодорожныйЖуковскийЗеленоградЗлатоустИвановоИвантеевкаИжевскИркутскИстраЙошкар-ОлаКазаньКалининградКалугаКаменск-УральскийКамышинКаспийскКемеровоКерчьКировКисловодскКлинКовровКоломнаКомсомольск-на-АмуреКопейскКоролёвКостромаКотельникиКрасногорскКраснодарКраснознаменскКрасноярскКурганКурскКызылЛенинск-КузнецкийЛипецкЛобняЛыткариноЛюберцыМагнитогорскМайкопМалаховкаМахачкалаМиассМоскваМурманскМуромМытищиНабережные ЧелныНазраньНальчикНаро-ФоминскНахабиноНаходкаНевинномысскНефтекамскНефтеюганскНижневартовскНижнекамскНижний НовгородНижний ТагилНовокузнецкНовокуйбышевскНовомосковскНовороссийскНовосибирскНовоуральскНовочебоксарскНовочеркасскНовошахтинскНовый УренгойНогинскНорильскНоябрьскОбнинскОдинцовоОктябрьскийОмскОрелОренбургОрехово-ЗуевоОрскПавловский ПосадПензаПервоуральскПермьПетрозаводскПетропавловск-КамчатскийПодольскПрокопьевскПсковПушкиноПятигорскРаменскоеРеутовРостов-на-ДонуРубцовскРыбинскРязаньСакиСалаватСамараСанкт-ПетербургСаранскСаратовСевастопольСеверодвинскСеверскСергиев ПосадСерпуховСимферопольСмоленскСосновый БорСочиСтавропольСтарый ОсколСтерлитамакСтупиноСургутСызраньСыктывкарТаганрогТамбовТверьТихвинТольяттиТомилиноТомскТроицкТулаТюменьУлан-УдэУльяновскУссурийскУсть-ИлимскУфаУхтаФеодосияФрязиноХабаровскХанты-МансийскХасавюртХимкиЧебоксарыЧелябинскЧереповецЧеркесскЧеховЧитаШахтыЩелковоЭлектростальЭлистаЭнгельсЮжно-СахалинскЯкутскЯлтаЯрославль
  • - бесплатно по РФ
    Автоперезвон. Работает по принципу: Вы позвонили на номер, мы сбрасываем звонок и перезваниваем через 3 секунды.
  • - по Москве
  • 8 (925) 663-83-63

Call-центр

пн-вс: 10:00-19:00

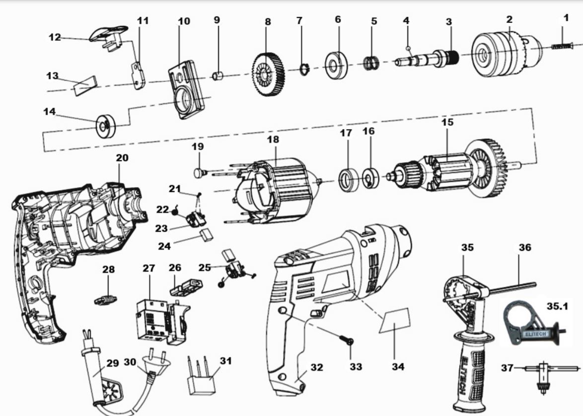
ЗАПЧАСТИ ДЛЯ ДРЕЛИ УДАРНОЙ ЭЛЕКТРИЧЕСКОЙ ELITECH ДУ 650РЭК

NАртикулНазваниеСрок отгрузкиЦенаКупить
1 1803.000200 Винт M6х25 мм 13 р.
2 1803.023510 Патрон быстрозажимной 1,5-13 мм, посадка 11,4 мм
2 1803.000300 Патрон в комп. с ключом. 1.5-13мм. Резьба 11.5мм. (СМ 1803.0219,1803.031900,1803.0201) 618 р.
3 1803.023600 Шпиндель 110 р.
4 1803.023700 Шарик 3 р.
4.1 1803.023601 Шпиндель в сборе с шариком
5 1803.023800 Пружина
6 5001.003100 Подшипник шариковый 6000-Z 129 р.
7 1803.024000 Кольцо стопорное D.10 мм
8 1803.024100 Шестерня ,LD215B-008 184 р.
9 1805.001200 Подшипник игольчатый HK0709В 482 р.
10 1803.024300 Суппорт LD215B-010 ДУ 650 РЭ 73 р.
11 1803.024400 Рычаг переключателя 13 р.
12 1803.024500 Переключатель,LD215/215B/207-013,/207C-019,/207C-012 10 р.
13 1803.024600 Пластина
14 5001.002800 Подшипник шариковый 608-Z 252 р.
15 1803.024800 Ротор ,LD215B-015 1.200 р.
16 5001.001900 Подшипник 607Z, 7Х19Х6 240 р.
17 1803.025000 Пыльник ,LD215/215B/207C-017 7 р.
18 1803.025100 Статор LD215B-018 605 р.
19 1803.025200 Штифт
20 1803.025300 Корпус левая половина ,LD215B-020 208 р.
21 1803.025400 Винт самонарезающий ST3х12 мм
22 1803.025500 Пружина щеткодержателя. LD215B-022. СМ.1803.030900.1803.035700.1805.078010 17 р.
23 1803.025600 Щеткодержатель ,LD215B-023 24 р.
24 1803.025700 Щетки графитовые 2шт,д/ELITECH ДУ 650РЭ 86 р.
25 1803.025800 Щеткодержатель ,LD215B-025 31 р.
26 1803.025900 Переключатель реверса 48 р.
27 1803.026000 Выключатель в сборе FA2-4/1BEK LD215B-027 441 р.
28 1803.026100 Индуктивность
29 1803.026200 Изолятор кабеля сетевого
30 1803.005600 Кабель сетевой в сборе с вилкой H05RN-F 2х0,75 мм2, L.4100 мм 622 р.
31 1803.026300 Конденсатор 0,22 мкФ
32 1803.026400 Корпус правая половина ,LD215B-032 188 р.
33 1803.026500 Винт самонарезающий ST4x16 мм
34 1803.026600 Табличка маркировочная
35 1803.026700 Ручка дополнительная в сборе LD215B-035 ДУ 650 РЭ 110 р.
35.1 1803.026701 Крепеж рукоятки дополнительной
36 1803.026800 Ограничитель глубины
37 1803.000100 Ключ патрона 408 р.
Найдено товаров: 40
1
▲ Наверх
0
8 (925) 663-83-63

Call-центр

пн-вс: 10:00-19:00

НАЙТИ ПО МОДЕЛИ
Введите номер заказа
Введите номер своего заказа, что бы узнать его текущий статус.
Что бы получить доступ к расширенным функциям, пройдите не сложную регистрацию. Зарегистрироваться