Магазин запчастей для бытовой техники - Arlos
Москва
close
Выберите ваш регион
АбаканАлександровАльметьевскАнгарскАрзамасАрмавирАртемАрхангельскАстраханьАчинскБалаковоБалашихаБеларусьБелгородБердскБерезникиБийскБлаговещенскБратскБрянскВеликий НовгородВидноеВладивостокВладикавказВладимирВолгоградВолгодонскВолжскийВологдаВолховВоркутаВоронежВоскресенскВыборгГатчинаГеленджикГрозныйДедовскДербентДзержинскДзержинскийДимитровградДмитровДолгопрудныйДомодедовоДонецкЕвпаторияЕгорьевскЕкатеринбургЕлецЕссентукиЖелезногорскЖелезнодорожныйЖуковскийЗеленоградЗлатоустИвановоИвантеевкаИжевскИркутскИстраЙошкар-ОлаКазаньКалининградКалугаКаменск-УральскийКамышинКаспийскКемеровоКерчьКировКисловодскКлинКовровКоломнаКомсомольск-на-АмуреКопейскКоролёвКостромаКотельникиКрасногорскКраснодарКраснознаменскКрасноярскКурганКурскКызылЛенинск-КузнецкийЛипецкЛобняЛыткариноЛюберцыМагнитогорскМайкопМалаховкаМахачкалаМиассМоскваМурманскМуромМытищиНабережные ЧелныНазраньНальчикНаро-ФоминскНахабиноНаходкаНевинномысскНефтекамскНефтеюганскНижневартовскНижнекамскНижний НовгородНижний ТагилНовокузнецкНовокуйбышевскНовомосковскНовороссийскНовосибирскНовоуральскНовочебоксарскНовочеркасскНовошахтинскНовый УренгойНогинскНорильскНоябрьскОбнинскОдинцовоОктябрьскийОмскОрелОренбургОрехово-ЗуевоОрскПавловский ПосадПензаПервоуральскПермьПетрозаводскПетропавловск-КамчатскийПодольскПрокопьевскПсковПушкиноПятигорскРаменскоеРеутовРостов-на-ДонуРубцовскРыбинскРязаньСакиСалаватСамараСанкт-ПетербургСаранскСаратовСевастопольСеверодвинскСеверскСергиев ПосадСерпуховСимферопольСмоленскСосновый БорСочиСтавропольСтарый ОсколСтерлитамакСтупиноСургутСызраньСыктывкарТаганрогТамбовТверьТихвинТольяттиТомилиноТомскТроицкТулаТюменьУлан-УдэУльяновскУссурийскУсть-ИлимскУфаУхтаФеодосияФрязиноХабаровскХанты-МансийскХасавюртХимкиЧебоксарыЧелябинскЧереповецЧеркесскЧеховЧитаШахтыЩелковоЭлектростальЭлистаЭнгельсЮжно-СахалинскЯкутскЯлтаЯрославль
  • - бесплатно по РФ
    Автоперезвон. Работает по принципу: Вы позвонили на номер, мы сбрасываем звонок и перезваниваем через 3 секунды.
  • - по Москве
  • 8 (925) 663-83-63

Call-центр

пн-вс: 10:00-19:00

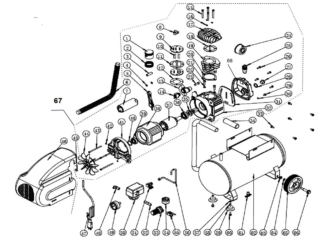
ЗАПЧАСТИ ДЛЯ КОМПРЕССОРА ПОРШНЕВОГО ELITECH КПМ 200/50

NАртикулНазваниеСрок отгрузкиЦенаКупить
1 0701.020100 Поршень(ЗАМЕНА 0701.051600) 47х40-15-12 3-кольца-47х3/1,5/1,5 см.так же 416022004 216 р.
2 0701.020200 Комплект колец поршневых D.47х1,5х1,5х3 мм 189 р.
3 0701.020300 Палец поршневой D.12х38 мм 164 р.
4 0701.020400 Кольцо стопорное D.12 мм 24 р.
5 0701.020500 Шатун, d12x20, L85. D.01.02.W009. КПМ 200 24.50 184 р.
6 0701.020600 Воздухопровод приёмный, с радиатором. Резьба d15.4x2. ЗАМЕНА 0701.148900 720 р.
7 0701.011600 Конденсатор СВВ60 35?F/450В 413 р.
8 0701.011200 Переходник Г-образный R3/8MхG3/8M 107 р.
9 0701.020900 Плита клапанная 360 р.
10 0701.010600 Пластина клапанная 47х10х0.3мм (компл. 2 шт.) КПМ 200\24 Промо (E0503.001.00) 145 р.
11 0701.021100 Прокладка плиты клапанной средняя алюмин. 19х51х73х58х58-4отвхСМ0701.051000 394 р.
12 0701.051200 Прокладка плиты клапанной нижняя. 51х73-4отвх6-46х46. КПМ 200.360 240 р.
12 0701.051201 Прокладка плиты клапанной нижняя 50х73-4 отвх6-42х42 мм
13 0701.021300 Кривошип (посадка 9-20х12-20х20-шейка Н.45х73 мм, без шпонки) 999 р.
14 0701.021400 Термозащита 7A/250V DC (KUOYUH 88 Series) 149 р.
15 0701.021500 Болт M6х15-45 мм
16 0701.010200 Шайба 6х13х2 мм 133 р.
17 0701.021700 Головка цилиндра 64х41х41х35 Rc3/8"-G1/2"=D14,950/P1,337/19-D18,613/P1,588/16--35-F-F 919 р.
18 0701.021800 Прокладка головки цилиндра 63х73-4отвх7-42х42-перекладина 20 р.
19 0701.021900 Цилиндр 47х75Х9Х80Х6Х41Х41х72 633 р.
20 0701.022000 Прокладка цилиндра D64-2уха-х8 20 р.
21 0701.022100 Болт M8х25 мм 7 р.
22 0701.022200 Шайба D8 гроверная 48 р.
23 0701.022300 Болт крепления крышки шатуна M8х22 мм (левая резьба) 216 р.
24 0701.022400 Фильтр воздушный в сборе D.01.16.W010 103 р.
25 0701.052600 Сапун G5/8"-d15,875/P2,309/11--61-М. КПМ 200.360. СМ 0701.022500,0701.062600 0701.075000 48 р.
25 0701.022500 Сапун G5/8
26 0701.022600 Болт M6х15 мм
27 0701.022700 Глазок контроля уровня масла G1/2"-d20,955/P1,814/14--10х18-М, аналог 0702.110190, 0702.045100 82 р.
28 0701.022800 Прокладка глазка контроля уровня масла 20х26х2 12 р.
29 0701.022900 Пробка сливная M6х10 мм 3 р.
30 0701.023000 Кольцо уплотнительное D.14х18х2 мм 3 р.
31 0701.023100 Прокладка передней крышки картера резиновая Н=132 90 р.
32 0701.023200 Картер 1.699 р.
33 0701.023300 Болт M5х16 мм
34 0701.023400 Накладка рукоятки (резиновая)
35 0701.023500 Сальник 20х40х7 мм
36 0701.012400 Подшипник шариковый 6204-RZ 20х47х14 мм
37 0701.023700 Ротор 20х36-67х82-15х12-14х37 мм 1.568 р.
38 0701.023800 Статор эл/двигателя 1,5/220В D67-123х123-67*-130 стальной гладкий: КПМ200/24/1,5/220 4.871 р.
39 0701.023900 Подшипник шариковый 6202-RZ 15х35х11 мм
40 0701.012500 Шайба пружинная волнистая 23х28х0,5 13 р.
41 0701.024100 Крышка задняя D.35х11-135х49 мм, 6202-RZ 735 р.
42 0701.024200 Шайба стопорная D.5 мм
43 0701.024300 Болт M5
44 0701.024400 Крыльчатка D.134х14 (10-лопастей) 80 р.
45 0701.012300 Кольцо стопорное D.14 мм 72 р.
46 0701.024600 Кожух защитный эл/дв пластиковый КПМ200 406 р.
47 0701.024700 Шнур питания 360 р.
48 0701.013400 Клапан предохранительный G1/4. СМ 0701.057400, 0701.024800,КПМ 200_24, 200_50, 210_75В, 250-75, 360 364 р.
49 0701.013300 Манометр D52, G1/4(D13), 0-12 bar. СМ. 0701.148600 495 р.
50 0701.013100 Прессостат 1.224 р.
51 0701.013900 Клапан обратный G1/8MхG3/8MхG1/2M (под втулку)
52 0701.013800 Фитинг ниппель удлинённый парный 2R1/4"=d13,157/P1,337/19--30-M-M 153 р.
53 0701.013000 Редуктор давления, 3 отв. (11.5х2, 8.5х1). СМ.0701.025300.0701.044900.0701.056800 394 р.
54 0701.013200 Манометр D42, G1/8(D9.8), 0-12 bar. СМ. 0701.148850 0702.121850 0702.125450 0702.133200 492 р.
55 0701.014800 Соединение Рапид -клапан быстроразъёмное воздушный R1/4"-d13 AC 300 24(W0503.001.00) 262 р.
56 0701.025600 Трубка отводная 831 р.
57 0701.025700 Гайка М8 7 р.
58 0701.022200 Шайба D8 гроверная 48 р.
59 0701.025900 Подушка опоры КПМ200/24/50 84 р.
60 0701.026000 Болт М8х26 7 р.
61 0701.014200 Клапан дренажный конденсата G1/4". СМ 0701.026100, 0701.058500,КПМ 200_24, 200_50, 250-75, 360_50, 2 110 р.
62 0701.036200 Ресивер 50 л 8.452 р.
63 0701.026300 Гайка M10 31 р.
64 0701.026400 Шайба стопорная D.10 мм 10 р.
65 0701.036500 Колесо
66 0701.026600 Болт-ось M10-15х34-56 мм 77 р.
67 0701.023830 Двигатель с помпой в сборе КПМ200/24-50 14.395 р.
68 0701.023210 Крышка картера 997 р.
Найдено товаров: 70
1
▲ Наверх
0
8 (925) 663-83-63

Call-центр

пн-вс: 10:00-19:00

НАЙТИ ПО МОДЕЛИ
Введите номер заказа
Введите номер своего заказа, что бы узнать его текущий статус.
Что бы получить доступ к расширенным функциям, пройдите не сложную регистрацию. Зарегистрироваться