Магазин запчастей для бытовой техники - Arlos
Москва
close
Выберите ваш регион
АбаканАлександровАльметьевскАнгарскАрзамасАрмавирАртемАрхангельскАстраханьАчинскБалаковоБалашихаБеларусьБелгородБердскБерезникиБийскБлаговещенскБратскБрянскВеликий НовгородВидноеВладивостокВладикавказВладимирВолгоградВолгодонскВолжскийВологдаВолховВоркутаВоронежВоскресенскВыборгГатчинаГеленджикГрозныйДедовскДербентДзержинскДзержинскийДимитровградДмитровДолгопрудныйДомодедовоДонецкЕвпаторияЕгорьевскЕкатеринбургЕлецЕссентукиЖелезногорскЖелезнодорожныйЖуковскийЗеленоградЗлатоустИвановоИвантеевкаИжевскИркутскИстраЙошкар-ОлаКазаньКалининградКалугаКаменск-УральскийКамышинКаспийскКемеровоКерчьКировКисловодскКлинКовровКоломнаКомсомольск-на-АмуреКопейскКоролёвКостромаКотельникиКрасногорскКраснодарКраснознаменскКрасноярскКурганКурскКызылЛенинск-КузнецкийЛипецкЛобняЛыткариноЛюберцыМагнитогорскМайкопМалаховкаМахачкалаМиассМоскваМурманскМуромМытищиНабережные ЧелныНазраньНальчикНаро-ФоминскНахабиноНаходкаНевинномысскНефтекамскНефтеюганскНижневартовскНижнекамскНижний НовгородНижний ТагилНовокузнецкНовокуйбышевскНовомосковскНовороссийскНовосибирскНовоуральскНовочебоксарскНовочеркасскНовошахтинскНовый УренгойНогинскНорильскНоябрьскОбнинскОдинцовоОктябрьскийОмскОрелОренбургОрехово-ЗуевоОрскПавловский ПосадПензаПервоуральскПермьПетрозаводскПетропавловск-КамчатскийПодольскПрокопьевскПсковПушкиноПятигорскРаменскоеРеутовРостов-на-ДонуРубцовскРыбинскРязаньСакиСалаватСамараСанкт-ПетербургСаранскСаратовСевастопольСеверодвинскСеверскСергиев ПосадСерпуховСимферопольСмоленскСосновый БорСочиСтавропольСтарый ОсколСтерлитамакСтупиноСургутСызраньСыктывкарТаганрогТамбовТверьТихвинТольяттиТомилиноТомскТроицкТулаТюменьУлан-УдэУльяновскУссурийскУсть-ИлимскУфаУхтаФеодосияФрязиноХабаровскХанты-МансийскХасавюртХимкиЧебоксарыЧелябинскЧереповецЧеркесскЧеховЧитаШахтыЩелковоЭлектростальЭлистаЭнгельсЮжно-СахалинскЯкутскЯлтаЯрославль
  • - бесплатно по РФ
    Автоперезвон. Работает по принципу: Вы позвонили на номер, мы сбрасываем звонок и перезваниваем через 3 секунды.
  • - по Москве
  • 8 (925) 663-83-63

Call-центр

пн-вс: 10:00-19:00

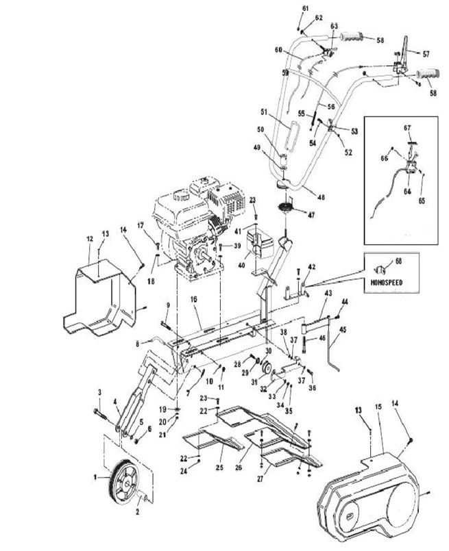
ЗАПЧАСТИ ДЛЯ КУЛЬТИВАТОРА БЕНЗИНОВОГО ELITECH КБ 51 (ОБЩАЯ)

NАртикулНазваниеСрок отгрузкиЦенаКупить
1 0400.140000 Транспортировочное колесо 1.335 р.
2 0400.140100 Втулка колеса
3 0400.140200 Болт с головкой шестигранной M12х80 мм
4 0400.140300 Вилка колеса
5 0400.140400 Шайба пружинная D.12 мм
6 0400.140500 Гайка
7 0400.140600 Шплинт
8 0400.140700 Фиксатор колеса
9 0400.140800 Болт с головкой шестигранной M8х55 мм
10 0400.140900 Шайба плоская
11 0400.141000 Гайка M8
12 0400.141100 Кожух (правый)
13 0400.141200 Винт 3,9х4,5 мм
14 0400.141300 Болт с головкой шестигранной M6х12 мм
15 0400.141400 Кожух (левый)
16 0400.141500 Рама
17 0400.141600 Болт с головкой шестигранной M8х40 мм
18 0400.141700 Шайба плоская
19 0400.141800 Шайба плоская
20 0400.141900 Шайба пружинная
21 0400.141000 Гайка M8
22 0400.142100 Шайба плоская
23 0400.142200 Болт с головкой шестигранной M6х12 мм
24 0400.142300 Гайка M6
25 0400.142400 Правое защитное крыло JSX5.0-5-103: КБ 51 52 2.908 р.
26 0400.142500 Кожух шнека защитный средний
27 0400.142600 Левое защитное крыло JSX5.0-5-101: КБ 51 52 2.908 р.
28 0400.142700 Болт фасонный
29 0400.142800 Втулка опорная
30 0400.142900 Блок установочный
31 0400.143000 Ролик натяжения ремня
32 0400.143100 Рычаг ролика натяжения ремня
33 0400.143200 Шайба плоская
34 0400.143300 Шайба пружинная
35 0400.143400 Гайка M10
36 0400.143500 Болт M12х40 мм
37 0400.143600 Шайба плоская
38 0400.143700 Гайка M12
39 0400.143800 Болт с головкой шестигранной M8х20 мм
40 0400.143900 Ящик для инструмента
41 0400.144000 Шайба плоская
42 0400.144100 Крепление редуктора
43 0400.144200 Кронштейн крепления сошника
44 0400.144300 Болт с головкой шестигранной M10х25 мм
45 0400.144400 Сошник
46 0400.144500 Болт с головкой шестигранной M14х90 мм
47 0400.144600 Опора зубчатая рукоятки
47 0400.144601 Опора зубчатая рукоятки с прорезью под ограничитель перемещения
48 0400.144700 Рукоятка
48 0400.144701 Рукоятка с ограничителем перемещения
49 0400.144800 Шайба
50 0400.144900 Гайка
51 0400.145000 Скоба гайки
52 0400.145100 Гайка
53 0400.145200 Хомут
54 0400.145300 Болт с головкой шестигранной M5х16 мм
55 0400.145400 Пружина
56 0400.145500 Тросик сцепления
57 0400.145600 Рычаг сцепления
58 0400.145700 Накладка рукоятки
59 0400.145800 Выключатель зажигания
60 0400.145900 Тросик газа
61 0400.146000 Гайка
62 0400.146100 Шайба стопорная
63 0400.146200 Рычаг газа
64 0400.146300 Рычаг газа в сборе с тросиком
65 0400.146400 Болт с головкой шестигранной M6х45 мм
66 0400.146500 Гайка M6
67 0400.146600 Табличка маркировочная
68 0400.146700 Крепление тросика
Найдено товаров: 70
1
▲ Наверх
0
8 (925) 663-83-63

Call-центр

пн-вс: 10:00-19:00

НАЙТИ ПО МОДЕЛИ
Введите номер заказа
Введите номер своего заказа, что бы узнать его текущий статус.
Что бы получить доступ к расширенным функциям, пройдите не сложную регистрацию. Зарегистрироваться