Магазин запчастей для бытовой техники - Arlos
Москва
close
Выберите ваш регион
АбаканАлександровАльметьевскАнгарскАрзамасАрмавирАртемАрхангельскАстраханьАчинскБалаковоБалашихаБеларусьБелгородБердскБерезникиБийскБлаговещенскБратскБрянскВеликий НовгородВидноеВладивостокВладикавказВладимирВолгоградВолгодонскВолжскийВологдаВолховВоркутаВоронежВоскресенскВыборгГатчинаГеленджикГрозныйДедовскДербентДзержинскДзержинскийДимитровградДмитровДолгопрудныйДомодедовоДонецкЕвпаторияЕгорьевскЕкатеринбургЕлецЕссентукиЖелезногорскЖелезнодорожныйЖуковскийЗеленоградЗлатоустИвановоИвантеевкаИжевскИркутскИстраЙошкар-ОлаКазаньКалининградКалугаКаменск-УральскийКамышинКаспийскКемеровоКерчьКировКисловодскКлинКовровКоломнаКомсомольск-на-АмуреКопейскКоролёвКостромаКотельникиКрасногорскКраснодарКраснознаменскКрасноярскКурганКурскКызылЛенинск-КузнецкийЛипецкЛобняЛыткариноЛюберцыМагнитогорскМайкопМалаховкаМахачкалаМиассМоскваМурманскМуромМытищиНабережные ЧелныНазраньНальчикНаро-ФоминскНахабиноНаходкаНевинномысскНефтекамскНефтеюганскНижневартовскНижнекамскНижний НовгородНижний ТагилНовокузнецкНовокуйбышевскНовомосковскНовороссийскНовосибирскНовоуральскНовочебоксарскНовочеркасскНовошахтинскНовый УренгойНогинскНорильскНоябрьскОбнинскОдинцовоОктябрьскийОмскОрелОренбургОрехово-ЗуевоОрскПавловский ПосадПензаПервоуральскПермьПетрозаводскПетропавловск-КамчатскийПодольскПрокопьевскПсковПушкиноПятигорскРаменскоеРеутовРостов-на-ДонуРубцовскРыбинскРязаньСакиСалаватСамараСанкт-ПетербургСаранскСаратовСевастопольСеверодвинскСеверскСергиев ПосадСерпуховСимферопольСмоленскСосновый БорСочиСтавропольСтарый ОсколСтерлитамакСтупиноСургутСызраньСыктывкарТаганрогТамбовТверьТихвинТольяттиТомилиноТомскТроицкТулаТюменьУлан-УдэУльяновскУссурийскУсть-ИлимскУфаУхтаФеодосияФрязиноХабаровскХанты-МансийскХасавюртХимкиЧебоксарыЧелябинскЧереповецЧеркесскЧеховЧитаШахтыЩелковоЭлектростальЭлистаЭнгельсЮжно-СахалинскЯкутскЯлтаЯрославль
  • - бесплатно по РФ
    Автоперезвон. Работает по принципу: Вы позвонили на номер, мы сбрасываем звонок и перезваниваем через 3 секунды.
  • - по Москве
  • 8 (925) 663-83-63

Call-центр

пн-вс: 10:00-19:00

ЗАПЧАСТИ ДЛЯ ТРИММЕРА БЕНЗИНОВОГО ELITECH Т 1250В (ДО 2015 ГОДА) (ДВИГАТЕЛЬ)

NАртикулНазваниеСрок отгрузкиЦенаКупить
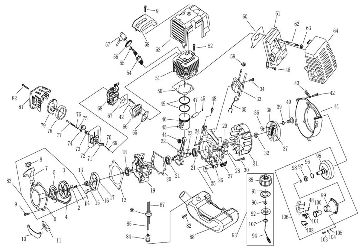
1 0802.080100 Болт M5х12 мм
2 0802.080200 Шайба
3 0802.080300 Катушка стартера ручного
4 0802.080400 Шнур стартера ручного
5 0802.080500 Пружина возвратная
6 0802.080600 Корпус стартера ручного
7 0802.080700 Рукоятка стартера ручного
8 0802.080800 Зажим шнура стартера ручного
9 0802.080900 Болт M5х20 мм
10 0802.081000 Кронштейн
11 0802.081100 Накладка (резиновая)
12 0802.081200 Прокладка корпуса стартера ручного
13 0802.081300 Гайка М8 хром крепления ротора ручного стартера 9207-904301: Т1250 16 р.
14 0802.081400 Эксцентрик ротора стартера ручного 9624-904301: Т1250 118 р.
15 0802.081500 Пружина собачки стартера ручного
16 0802.081600 Ротор ручного стартера корпус М8 Т1250 607 р.
17 0802.081700 Шайба
18 0802.081800 Сальник 12х22х7. 9200-904301. Т1250.Т20.Т25.Т30 72 р.
19 0802.081900 Картер задний
20 0802.082000 Прокладка картера. 9208-904301. 8208-989102-0000020. Т 1250.20.25.30. СМ. 0802.120600 84 р.
21 0802.082100 Подшипник шариковый
22 0802.082200 Коленвал с шатуном D15в-15в-12в-рзб.ММ8 d13-гол. шат. H33 9606-904301 8440-989107-000: Т1250.Т25.Т30 1.084 р.
23 0802.082300 Шпонка 3х5х13 мм
24 0802.082400 Шпилька B5х12 мм
25 0802.082500 Пробка (резиновая)
26 0802.082600 Картер передний
27 0802.082700 Накладка защитная
28 0802.082800 Шпилька B4х10 мм
29 0802.082900 Сальник, 15х30х7. Т 1250.25.30. СМ.0802.121300. 0802.171840. 0802.180163. 0810.002800 146 р.
30 0802.083000 Болт M5х30 мм
31 0802.083100 Маховик двигателя с крыльчаткой d110-36 конус11х15-20 9402-904301: Т1250. 915 р.
32 0802.083200 Гайка M8
33 0802.083300 Катушка зажигания П-63-56х8 колпачок прямоуг 9405-904301: Т1250. 1.412 р.
34 0802.083400 Болт M5х20 мм
35 0802.083500 Провод питания катушки зажигания 9440-904308: Т1250.Т20.Т25.Т30 63 р.
36 0802.083600 Шайба плоская
37 0802.083700 Пружина сцепления
38 0802.083800 Муфта сцепления
39 0802.083900 Шайба волнистая пружинная сцепления 335008-E16  Т 43 Промо 18 р.
40 0802.084000 Болт
41 0802.084100 Основание стартера ручного
42 0802.084200 Болт М5х25 с гроверной и плоской шайбой чёрн. под ключ 9206-904307: Т1250 20 р.
43 0802.084300 Зажим провода
44 0802.084400 Подшипник игольчатый
45 0802.084500 Кольцо стопорное D.11,3x0,9 мм
46 0802.084600 Поршень 40х40-D10палец-12 2-кольца х1,5 Т1250 9603-904301: Т1250.Т25 258 р.
47 0802.084700 Палец поршневой 10х33 9605-904301 8605-989101-0000000: Т1250.Т25 13 р.
48 0802.084800 Болт M5х12 мм
49 0802.084900 Кольца поршневые 40х1,5 ком-т 2шт. Т1250 9604-904301: Т1250.Т25 94 р.
50 0802.180250 Прокладка цилиндра. T.BCB43-004. БТ 43.52. СМ. 0802.122800. 0802.085000 37 р.
50 0802.122800 Прокладка цилиндра. 9202-904301. Т 25.30. СМ. 0802.180250. 0802.085000 152 р.
50 0802.085000 Прокладка цилиндра. 9202-904301. Т 1250.25.30. СМ. 0802.180250. 0802.122800 110 р.
51 0802.085100 Цилиндр двигателя d40х67хH33 40F-5 Т1250 9601-904301: Т1250 1.536 р.
52 0802.085200 Болт М5х20 с гроверной и плоской шайбой чёрн. под ш-гр-к 9206-904309: Т1250 26 р.
53 0802.085300 Кожух защитный цилиндра 9024-904303: Т1250 278 р.
54 0802.085400 Свеча зажигания
55 0802.085500 Кольцо свечи зажигания защитное
56 0802.085600 Прокладка на свечу зажигания защитная резиновая 9331-904303: Т1250 51 р.
57 0802.085700 Колпачок свечи зажигания
58 0802.085800 Накладка кожуха
59 0802.085900 Гайка катушки зажигания
60 0802.086000 Кронштейн крепления глушителя
61 0802.086100 Глушитель
62 0802.086200 Шпилька
63 0802.086300 Гайка
64 0802.086400 Кожух глушителя защитный
65 0802.123400 Прокладка коллектора впускного (цилиндра). Т 1250.20.25.30. СМ.0802.086500 138 р.
65 0802.086500 Прокладка коллектора впускного (цилиндра). Т 1250.20.25.30. СМ.0802.123400 47 р.
66 0802.086600 Патрубок впускной
67 0802.123600 Прокладка коллектора впускного (карбюратора). Т 1250.20.25.30. СМ.0802.086700 138 р.
67 0802.086700 Прокладка коллектора впускного (карбюратора). Т 1250.20.25.30. СМ.0802.123600 47 р.
68 0802.086800 Карбюратор. 9613-904302. Т 1250 1.493 р.
69 0802.086900 Винт самонарезающий ST2,9х6,5 мм
70 0802.087000 Шайба
71 0802.087100 Рычаг дроселя
72 0802.087200 Корпус фильтра воздушного. 9024-904304. Т 1250" 269 р.
73 0802.087300 Заслонка дроссельная
74 0802.087400 Кронштейн
75 0802.087500 Шайба D.5 мм
76 0802.087600 Шайба стопорная 5 мм
77 0802.087700 Винт M5х55 мм
78 0802.087800 Кольцо фильтра воздушного внутреннее
79 0802.087900 Крышка картриджа фильтра воздушного
81 0802.088000 Крышка фильтра воздушного
82 0802.088100 Болт M5х16 мм
83 0802.088200 Стартер в сборе 9425-904301 Т1250 см код 0802.141100 763 р.
84 0802.088300 Фильтр топливный Т1250 9615-904301: Т1250.Т25.Т30.Т20 181 р.
85 0802.088400 Трубка топливная, D5.3x3, L160. 9061-904302. Т 1250.Т 20В2.ВН2 27 р.
86 0802.088500 Уплотнитель
87 0802.088600 Трубка топливная
88 0802.088700 Бак топливный
89 0802.088800 Крышка бака топливного
90 0802.088900 Клапан крышки бака топливного
91 0802.089000 Прокладка крышки бака топливного
92 0802.089200 Проставка клапана бака топливного
93 0802.089100 Крышка бака топливного в сборе
94 0802.089400 Держатель крышки бака
95 0802.089500 Барабан сцепления
96 0802.089600 Кольцо стопорное
97 0802.089700 Подшипник шариковый 6202-2RS/P6
98 0802.089800 Кольцо упорное
99 0802.089900 Корпус сцепления
100 0802.090000 Втулка
101 0802.090100 Фиксатор (А)
102 0802.090200 Фиксатор (В)
103 0802.090300 Винт M6х20 мм
104 0802.090400 Шайба пружинная D.6 мм
105 0802.090500 Шайба D.6 мм
106 0802.090600 Сцепление в сборе
107 0802.089300 Крышка держателя крышки бака
Найдено товаров: 110
1
▲ Наверх
0
8 (925) 663-83-63

Call-центр

пн-вс: 10:00-19:00

НАЙТИ ПО МОДЕЛИ
Введите номер заказа
Введите номер своего заказа, что бы узнать его текущий статус.
Что бы получить доступ к расширенным функциям, пройдите не сложную регистрацию. Зарегистрироваться